anna@hdhipottester.com
james@hdhipottester.com
8618986157274
+86 18986157274
live:1379417129
1379417129
Made of high-permeability materials, with exquisite design, small size, strong resistance to electricity, and convenient use
HVSL-500A High Current Generator (Primary Current Injection Test Set)
The large current generator is also called a booster. It is a current source for current carrying capacity, temperature rise test and transformer ratio test of electrical products such as circuit breakers, knife gates, copper and aluminum transitions, and clamps.
The SA series high-current generators produced by our factory are made of high-permeability materials, with exquisite design, small size, strong resistance to electricity, and convenient use.

Capacity 3KVA
input 220v / 15A
output 6v / 500A
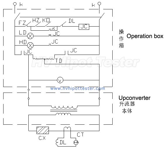
4.1 Wiring according to the figure, the console and the shell of the booster must be grounded
4.2 Turn on the external power, and turn the handle of the regulator counterclockwise to the zero position (if it does not return to zero, the contactor refuses to move), press the closing button, the green light turns off and the red light turns on, turn the regulator knob clockwise, and Ammeter to rated test current.
4.3 After the test is counted or the temperature rise has stabilized, the regulator handle gradually returns to "0" and the power is cut off.
5.1 The test work shall not be less than two persons.
5.2 The TD and SA enclosures must be grounded. Do not neglect safety measures to prevent personal accidents due to low voltage transformer operation.
5.3 The current from the secondary to the test object should not be too long, and the cross-sectional area should be sufficient (consideration of the current density can be 6-8A / mm ²), and the contact surface should be cleaned (can be illuminated with fine gauze), otherwise the connector will be heated. Even the current does not rise above the rated value.
5.4 Check that the power supply (leads from TD to SA) has sufficient capacity before work (SA-2K and SA-4K can be considered as 50A), otherwise the power line will generate heat and the voltage will affect the normal operation of the SA.
5.5 Both the TD and SA enclosures must be grounded to ensure personal safety.
5.6 There should be no flammable materials at the work site. For long-term temperature rise tests, adequate fire extinguishing equipment should be prepared.
5.7 Continuity (heating) test, there should be someone on duty at the site, and regularly check the heat source of up-current source equipment and wire joints, and make a record. Due to the fluctuation of the grid voltage, pay attention to adjusting the TD in order to maintain the rated test current.
5.8 The test work shall comply with the relevant provisions of the safe working regulations of the power industry and formulate practical safety measures.

1. When can I get the price?
We usually quote within 6 hours work time after we get your inquiry. If you are very urgent to get price, please call us or tell us in your email so that we will regard your inquiry priority.
2. What about the delivery time for production?
Honestly, it depends on the order quantity and the product. Usually our leading time is within 7 working days after order confirmation.
3. What is your payment terms?
We accept EXW, FOB, CFR, CIF, DDU, ect. You can choose the one which is the most convenient and cost effective for you.
4. How much will the Shipping cost and time be?
This will depend on size of your goods and method of shipping (by sea/ by air/by Express) and your designated seaport or airport. We will be grateful if you can spare us some minutes to evaluate the cost based on the information of product.
5. Could you please tell me the Warranty Period of your product?
Our warranty period is one year free and lifelong maintenance. If the product is damaged (if not man-made damage), in the first year,we will send free parts for replacement. Over warranty, maintenance is paid service.
6. Do you have Technical Backup to all customers from different countries?
To be sure,our technical support is always available and quick response.
We are manufacturer with much on-site testing experience, thus we know how to deal with your problems. Moreover, our engineers can go to your country to support if needed.